|  | Профессиональное телевизионное оборудование | ||
|  | 
| 
 | 
| 
	
    
   
		
		Продукция по категориям | Главная > Оптические интерфейсы > PN-MF-250-x 
 
 
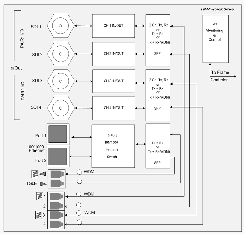
 Многоканальные многоволоконные преобразователи [E/O (электрика/оптика) и O/E (оптика/ электрика)] системы ”PROFNEXT” серии PN-MF-250-XX позволяют передавать до 4-х 12G/3G/HD-SD SDI, ASI сигналов плюс 100/1000 Ethernet по нескольким волокнам. По линии Ethernet имеется встроенный двухпортовый коммутатор (2 port switch). Преобразователь образуется сочетанием базового модуля серии PN-MF-250-XX и SFP модуля. В зависимости от сочетания модулей (базового и SFP) конфигурируются блоки с требуемым функциональным назначением. При заказе Пользователь определяет тип необходимых SFP для требуемого устройства. Для приема/передачи SDI предназначены четыре BNC разъема и соответствующие им два SFP слота, расположенные внутри блока с соответствующими оптическими LC разъемами на задней панели блока. Двум разъемам BNC соответствует один слот SFP и два LC разъема. В зависимости от устанавливаемого типа SFP устройство настраивает электрические SDI интерфейсы, конфигурируя каждый BNC разъем как вход либо как выход. Каждый BNC разъем имеет двухцветный светодиод, указывающий на направление работы разъема. Если BNC разъем является входом, то светодиод светится зеленым цветом, если выходом – красным. Видео SFP могут быть трех типов: 
 Для оптической линии Ethernet предназначен третий SFP слот с соответствующими оптическими LC разъемами на задней панели блока. В устройстве реализован двухпортовый коммутатор (2 port switch) с электрическими портами на разъемах RJ-45. Длины волн, используемые в линии 100/1000 Ethernet, могут быть 1310nm,1550nm либо CWDM (16 возможных длин волн, 1270nm…1610nm c шагом 20nm). 100/1000 Ethernet трансиверы могут быть как двухволоконные, так и одноволоконные (встроенный WDM фильтр). В любой видео SFP слот может быть установлен любой тип видео SFP. В зависимости от набора видео SFP и поддержки 100/100 Ethernet устройство приобретает требуемый функционал. Длины волн передатчиков могут быть 1310nm,1550nm либо CWDM (16 возможных длин волн, 1270nm…1610nm c шагом 20nm). Используя SFP модули с CWDM лазерами и внешний оптический CWDM мультиплексор/ демультиплексор пользователь имеет возможность все свои каналы передавать/принимать по одному волокну. В системе ”PROFNEXT” возможны следующие типы CWDM MUX/DEMUX: 
 
 Функциональные возможности и достоинства: 
 
 
 Перечень возможных устройств и их функционалОднонаправленная передача SDI с поддержкой или без линии 100/1000 Ethernet. 
 
 Двунаправленная передача SDI с поддержкой или без 100/1000 Ethernet. 
 Использование устройств серии PN-MF-250-xx в системах многоканальной (до 16 каналов SDI) передачи по одному волокну. 
 Используя SFP модули с CWDM лазерами и внешний оптический CWDM мультиплексор/демультиплексор, пользователь имеет возможность все свои каналы передавать/принимать по одному волокну. В системе ”PROFNEXT” возможны следующие типы CWDM MUX/DEMUX: 
 
 
 
 Основные технические данные и характеристикиВходы/выходы SDI/ASI: 
 
 Ethernet электрический вход/выход 
 
 Расстояния передачи, длины волн, требуемые SFP в зависимости от модели передатчиков, приемников и трансиверов приведены в Табл.1….Табл.8. 
 Оптические разъемы: 
 
 Потребляемая мощность……..………не более 4.5 Вт 
 Диапазон рабочих температур………. от 0 до 45°С. 
 Время непрерывной работы…………. 24 часа 
 
Габаритные размеры…………………. фронтальная плата 233x100 мм,  Масса ………………………..…………. не более 0,5 кг. 
 
 Состав и работа преобразователей оптических серии PN-MF-250-xx
В состав устройства входит 
базовый модуль  и  
SFP 
модули (от одного до трех).   
 
  
  
 Для приема/передачи SDI предназначены четыре BNC разъема (PAIR1 I/O SDI1,2 и PAIR2 I/O SDI3,4) и соответствующие им четыре оптические LC разъема (1,2,3,4).В зависимости от устанавливаемого типа SFP, устройство настраивает электрические SDI интерфейсы, конфигурируя каждый BNC разъем как вход либо как выход. Каждый BNC разъем имеет двухцветный светодиод, указывающий на направление работы разъема. 
 Видео SFP могут быть трех типов: 
 SFP Ethernet трансивер может быть: 
 В состав устройства входит базовый модуль и SFP модули (от одного до трех). В зависимости от набора видео SFP и поддержки 100/100 Ethernet устройство может приобрести следующие функциональные возможности: 
 Используя SFP модули с CWDM лазерами и внешний оптический CWDM мультиплексор/демультиплексор пользователь имеет возможность все свои каналы передавать/принимать по одному волокну. При выборе конкретных моделей SFP следует учитывать оптический бюджет линии и количество доступных волокон. Ниже представлены лицевые и задние панели преобразователей серии PN-MF-250 Передатчики и приемники SDI четырехканальные 
 
 
 Передатчики и приемники SDI двухканальные 
 
 
 Передатчики и приемники SDI четырехканальные с поддержкой 100/1000 Ethernet 
 
 Передатчики и приемники SDI двухканальные с поддержкой 100/1000 Ethernet 
 
В случае, когда используются SFP трансиверы с 
встроенным WDM фильтром (т.е паре электрических
BNC портов соответствует один оптический), то 
соответствующий им оптический порт маркирован знаком
 
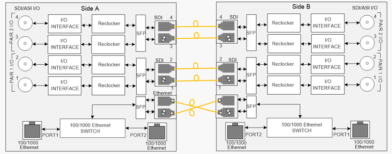
 Соединение парных устройств. При подключении между собой пары устройств серии PN-MF-250 следует соединить оптическими волокнами соответствующие порты (SDI) на стороне A и B. При использовании линии Ethernet волокна следует включать перекрестно. 
 
  Схема внешних линий связи пары устройств серии PN-MF-250 
 
 В моделях, где используются SFP трансиверы с встроенным WDM фильтром 
 (т.е паре электрических BNC портов соответствует один 
оптический), то соответствующий им оптический порт маркирован знаком 
 
 Схема внешних линий связи пары устройств серии PN-MF-250 при использовании трансиверов со встроенным WDM фильтром. Индикация на фронтальном срезе устройства. 
 Существуют две группы светодиодных индикаторов: на фронтальном срезе платы и задней панели модуля. 
 1). Индикаторы ры на фронтальном срезе платы 
 
 
 
2). Индикаторы на задней панели модуля PAIR1 I/O 1/2, PAIR2 I/O 3/4/4….. зеленый, красный. Под каждым BNC разъемом расположен соответствующий ему светодиодный индикатор. Цвет индикатора соответствует направлению сигнала на данном BNC разъеме. Зеленый данный BNC является входом. Красный….данный BNC является выходом. LINK….зеленый, не горит. Моргание обозначает, что происходит передача данных по линии Ethernet (для моделей с поддержкой Ethernet) 
 
 
 Удаленное  и  местное управление и мониторинг.Управление модулем и его мониторинг выполняется от местной панели управления корзины, в которую установлен модуль, или от ПЭВМ. Управление устройством и его мониторинг от ПЭВМ осуществляется через модуль центрального процессора дистанционного управления, размещенного в этом же корпусе, через веб-интерфейс в полном виде (аналогично меню от местной панели управления корзины) или через программный комплекс “Proflex3.xx” в упрощенном виде (только статус и некоторые регулировки) с помощью программного пакета PROFLEX3 (можно скачать на сайте www.profitt.ru в разделе «Поддержка» (http://www.profitt.ru/SOFT/PROFLEX3v1.zip) и протокола SNMP (см. ниже раздел “Реализация протокола SNMP и логирование”. 
 Реализация протокола SNMP и логирование. 
 Устройство PN-MF-250-xx(-12G) поддерживает мониторинг параметров работы по протоколу SNMP v1 и v2c. Для этой цели можно использовать любые программные средства, работающие с указанными версиями протокола. 
 
 Конструктивное 
исполнениеиеКонструктивно модели серии PN-MF-250-xx(-12G) выполнены на фронтальном и заднем модулях системы “PROFNEXT”, которые размещаются в корпусах 1U или 3U этой системы, и занимают два слота в корпусе. В корпусе 1U блоки располагаются горизонтально, в корпусе 3U – вертикально. Фронтальная плата двигается по направляющим и легко извлекается с помощью рычагов, расположенных на краю платы. Задняя плата легко извлекается из корпуса после выкручивания фиксирующих винтов, крепящих плату к корпусу. Соединение фронтального и заднего модулей осуществляется напрямую через разъем. Через поперечную кросс-плату, которая встроена внутри корпуса “PROFNEXT”, на модули поступает напряжение питания, команды управления, и два глобальных опорных синхросигнала, если они используется.     | |||||||||||||||||||||||||||||||||||||||||||||||||||||||||||||||||||||||||||||||||||||||||||||||||||||||||||||||||||||||||||||||||||||||||||||||||||||||||||||||||||||||||||||||||||||||||||||||||||||||||||||||||||||||||||||||||||||||||||||||||||||||||||||||||||||||||||||||||||||||||||||||||||