Профессиональное телевизионное оборудование

 
 
 

 

Продукция по семействам

 

Продукция по категориям

 
 

Главная >  Резерваторы  >  PN-RS-739

 

Коммутатор резерва 4K 12G SDI бесподрывный
PN-RSS-739

 

 

Коммутатор резерва 4K 12G SDI бесподрывный серии PN-RSS-739  (далее по тексту “резерватор”)  предназначен для бесподрывного резервирования 2-х несинхронных сигналов 12G/6G/3G/HD/SD SDI (одинакового стандарта) и привязки выходного сигнала к опорному сигналу REF или к внутреннему генератору блока.

В автоматическом режиме коммутатор выполняет выбор входа на основе анализа входных сигналов в соответствии с заданными параметрами. Переход на резервный канал выполняется по критериям: пропадания входного сигнала, не соответствия стандарта входного сигнала установленному выходному, появления ошибок EDH/CRC, отсутствия движения на изображении (заморозка), пропадания аудио групп и уменьшения уровня звука ниже порога «молчания» в выбранных звуковых каналах. При выключении устройства или пропадании питания выполняется релейный обход по входу BYPASS IN на выход PRG OUT1/BP.

 В ручном режиме переключение канала может быть выполнено через web-интерфейс или внешними сигналами GPI (General-Purpose Input/Output).

 

 

Резерватор серии PN-RSS-739 предназначен для работы в базовой конструкции модульной системы "PROFNEXT". Размещается в корпусах 1U или 3U системы "PROFNEXT" и занимает один слот в корпусе. В корпусах 1U блоки размещаются горизонтально, в корпусах 3U – вертикально.

 

Резерватор предназначен для круглосуточной работы в стационарном помещении с температурой окружающего воздуха от +5 до +45оС, относительной  влажности не более 80% при температуре 25оС, атмосферном давлении 750±30 мм рт. ст.

 

 

 Функциональные возможности:

  • переключение с основного на резервный вход в автоматическом (по заданным критериям) или ручном режимах;

  • мониторный выход для контроля входных сигналов в ручном или автоматическом режиме (может использоваться как дополнительный основной выход);

  • входы управления GPI и выходы TALLY;

  • определение пропадания входного сигнала;

  • определение стандарта входного сигнала;

  • детектор  ошибок EDH/CRC  за заданный интервал времени;

  • детектор  динамических изменений в видеосигнале за заданный интервал времени;

  • детектор звуковых групп, вложенных в SDI (до 4-х групп);

  • детектор минимального уровня звука для 16 аудио каналов за заданный интервал времени;

  • внутренний генератор сигнала ГЦП (BARS);

  • внутренний генератор тон – сигнала 1 кГц;

  • установка выходного стандарта блока в автоматическом или установленном режиме;

  • выбор сигнала на выходе при отсутствии входных сигналов;

  • измеритель уровня звука на мониторном выходе;

  • привязка выходного сигнала к опорному сигналу REF IN; 

Технические характеристики тракта

 

Входы:

Вход 12G/6G/3G/HD/SD SDI  MAIN IN, STBY IN:

Поддерживаемые стандарты

SMPTE 259M (SDI):

625i/50;

525i/59.94.

SMPTE 292M (HD SDI) :

1080i/50;

1080i/59. 94;

1080i/60;

1080p/23.98;

1080p/24;

1080p/25;

1080p/29. 97;

1080p/30;

720p/50 ;

720p/59. 94; 

720p/60.

SMPTE 424M/ SMPTE 425M

 (3G Level A 4:2:2):

1080p/50;

1080p/59. 94;

1080p/60.

 

SMPTE ST-2081 (6G):

2160p24/23.976, 2160p25, 2160p30/29.97. 

 

SMPTE ST-2082 (12G):

2160p50, 2160p60/59.94.

 

Разъемы

BNC

Входное сопротивление

75 Ом

Автоматическая коррекция кабеля

(Belden 1694A)

12G - до 50 м;

6G - до 80 м;

3G - до 120 м;

HD - до 150 м.

 

Вход 12G/6G/3G/HD/SD SDI  BYPASS IN:

Поддерживаемые стандарты

SMPTE 259M (SDI);

SMPTE 292M (HD SDI) ;

SMPTE 424M/ SMPTE 425M;

SMPTE ST-2081 (6G);

SMPTE ST-2082 (12G)

 

Разъемы

BNC

 

 

Вход управления GPI:

GPI входы

4 входа. Внешнее управление выходами резерватора
(замыкание на землю соответствующего контакта)

Разъём

RJ-45

 

Выходы

Выход  SDI PRG OUT/BP, MON OUT:

Количество выходов

1

Разъёмы

BNC

Выходное сопротивление

75 Ом

Стандарт

соответствует входному

Выходное затухание несогласованности

не менее 12 дБ до 1.5 ГГц

Размах

800мВ±10%

Джиттер

менее 0.2UI (единичного интервала)

 

Выход управления GPI (TALLY):

TALLY выходы

Реле, “сухой контакт”,

выход NC-COM (нормально-замкнутые контакты)

выход NO-COM (нормально-разомкнутые  контакты)

Разъём

RJ-45

Макс. коммутируемый ток

1 А (Umax = 30 В)

Макс. коммутируемое напряжение

110 В (Imax = 0,3 A)

Макс. коммутируемая мощность

30 Вт

 

 

Потребляемая мощность:  не более 8 Вт.

Диапазон рабочих температур:  от 5 до 45°С.

Время непрерывной работы:  24 часа.

Габаритные размеры:  фронтальная плата 250x100 мм, задняя плата 100х110 мм.

Масса:  не более 0,4 кг.

 

 

Состав, устройство и работа преобразователя

 

Общее устройство и принцип действия

Резерватор серии PN-RSS-739 является устройством модульной системы "PROFNEXT" и содержит в своём составе один фронтальный (F) и один задний (R) модули системы "PROFNEXT".

 

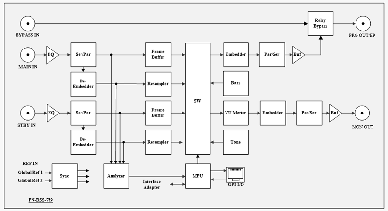
Структурная схема преобразователя

                              

 

Входной сигнал SDI MAIN IN / STBY IN поступает на кабельный корректор (EQ), затем на SDI декодер (Ser/Par), где преобразуется в 20-разрядный поток 4:2:2.  С выхода декодера сигнал поступает на De-Embeder, где извлекаются четыре звуковые аудио группы.

Видео данные записывается в память (Frame Buffer), после чего считывается на частоте опорного сигнала. В качестве опорного сигнала блока может быть один из глобальных входов корзины Global Ref 1/2 (REF IN), либо внутренний генератор. Аудио данные пере тактируются к тактовой частоте,  привязанной к опорному сигналу (Resampler). Так же входные данные подаются на блок анализа входных сигналов Analyzer.

Микроконтроллер управляет коммутатором SW, в зависимости от установленного режима работы блока и данных с выхода блока Analyzer.

На выходе звуковые данные эмбедируются в выходной видеосигнал (Embedder) и формируется сигнал SDI (Par/Ser), который после кабельного драйвера поступает на выход платы SDI PRG OUT/BP / SDI MON OUT. На мониторном выходе можно включить наложение индикатора уровня звука входного сигнала, который подается на этот выход. Мониторный выход можно использовать как второй программный выход установив соответствующий режим (PGM).

 

            Формат выходного видеосигнала определяется  автоматически от входа SDI MAIN IN / STBY IN или устанавливается принудительно. Формат опорного сигнала REF IN может не совпадать с форматом входного сигнала, но должен иметь кратную кадровую частоту и соответствующий режим кадровой развертки.

При пропадании сетевого питания осуществляется прямой релейный обход с входа SDI BYPASS IN на выход SDI PRG OUT/BP. В этом случае кабельная коррекция сигнала отсутствует.

 

        

 

Внешние разъёмы преобразователя

 

 

Индикаторы на фронтальном модуле

Индикаторы размещаются на плате фронтального модуля.

 

 

Внешний вид индикации

 

Светодиоды, расположены на печатной плате и индицируют состояние блока:

  • MAIN                – горит зеленым, если на выход резерватора проходит сигнал со входа SDI MAIN IN.

  • AUTO               – горит зеленым в режиме AUTO.

  • STBP                 – горит зеленым, если на выход резерватора проходит сигнал со входа SDI STBP IN.

  • IN MANE/STBP      – если светодиод горит зеленым - указывает на присутствие сигнала на входе SDI IN A/B и соответствии его допустимому  стандарту, желтым- наличие сигнала на входе и несоответствии его  допустимому стандарту модуля,  красным – отсутствие сигнала.

  • AUD MAIN/STBP  – зажигание светодиода индицирует наличие звуковых данных во входном сигнале, не горит – отсутствие.

  • LOCK REF       – если светодиод горит зеленым - индикация привязки выходного сигнала к внешнему опорному сигналу REF IN.

 

Конструктивное исполнение

Конструктивно резерватор серии PN-RS-739  выполнен на фронтальном и заднем модулях системы “PROFNEXT”, которые размещаются в корпусах 1U или 3U этой системы, и занимает один слот в корпусе.  В корпусе 1U блоки располагаются горизонтально, в корпусе 3U – вертикально.

Фронтальный модуль выполнен в виде платы размером 250х100 мм. Плата двигается по направляющим и легко извлекается с помощью рычагов, расположенных на краю платы. На фронтальном модуле размещаются также дополнительные платы (в зависимости от модификации).

Задний модуль выполнен в виде платы размером 100х110 мм,  на которой размещены входные и выходные разъемы устройства. Плата легко извлекается из корпуса после выкручивания фиксирующих винтов, крепящих плату к корпусу.

Соединение фронтального и заднего модулей осуществляется напрямую через разъем. Через поперечную кросс-плату, которая встроена внутри корпуса “PROFNEXT”, на модули поступает напряжение питания, команды управления, и два глобальных опорных синхросигнала, если они используется.

 

Установка режимов устройства серии PN-RS-739

Управление устройством выполняется от местной панели управления корзины или от ПЭВМ.

Управление устройством и его мониторинг от ПЭВМ осуществляется через модуль центрального процессора дистанционного управления, размещенного в этом же корпусе, через веб-интерфейс в полном виде (аналогично меню от местной панели управления корзины) или через программный комплекс PROFLEX3 в упрощенном виде (только статус и некоторые регулировки).

ПО “Программный пакет для мониторинга и управления модульными системами PROFLEX3” можно скачать на сайте www.profitt.ru в разделе «Поддержка» (http://www.profitt.ru/SOFT/PROFLEX3v1.zip).

Выбор возможных режимов от местной панели управления осуществляется через меню на графическом дисплее. Все меню разделено на страницы, которые могут быть информационными или установочными. Выбор страниц и изменение параметров производится нажатием кнопок со стрелочками вверх/вниз и вправо/влево. Вход в подменю или применение выбранного параметра – кнопкой ENTER. Выход на  один уровень вверх – кнопкой  ESC.

 

 

^Наверх